Wersja kasowana
stacyjką.
Wersja kasowana
magnesem,
może przylegać do witryny.
Władze państwowe nakładają na obiekty handlowe i inne
użyteczności publicznej konieczność ograniczania ilości
osób przebywających na terenie obiektu. Dodatkowo
restrykcje te zmieniają się w zależności od rozwoju
sytuacji epidemicznej koronawirusa. Nasz licznik umożliwia
kontrolowanie ilości osób w obiekcie. Sygnalizuje, jeżeli
ta ilość osiągnęła wartość graniczną (sygnał stop),
włączając np: czerwone światło dla wchodzących lub została
przekroczona (sygnał over-filling), włączając np: alarm
akustyczny przywołujący ochronę. Licznik wyświetla na
wyświetlaczu ilość osób przebywających w obiekcie lub
migające komunikaty:

oraz może sygnalizować wewnętrznym sygnalizatorem
akustycznym przepełnienie.
Licznik może być umieszczony w witrynie i informować
klientów o możliwości wejścia do obiektu. Napisy nie są
widoczne z dużej odległości ale jest widoczne jest
ostrzegawcze miganie. Licznik umieszczony w witrynie nawet
bez dodatkowej lampy czy sygnalizatora może sterować
ruchem klientów w sposób zgodny z wymogami
epidemiologicznymi w czasie zagrożenia sars-cow-2.
W odróżnieniu od kołowrotków, system działa bez
jakiegokolwiek kontaktu z osobami, co jest korzystne w
sytuacji epidemii koronawirusa.
Oferta handlowa->
Licznik może być stosowany także w innych sytuacjach,
kiedy potrzebne jest ograniczenie ilości osób w
pomieszczeniu. Ograniczenie może być związane z
bezpieczeństwem, wynikać z umowy handlowej (np: na
organizację eventu), lub z konieczności zapewnienia
gościom odpowiedniego komfortu (muzea, wystawy).
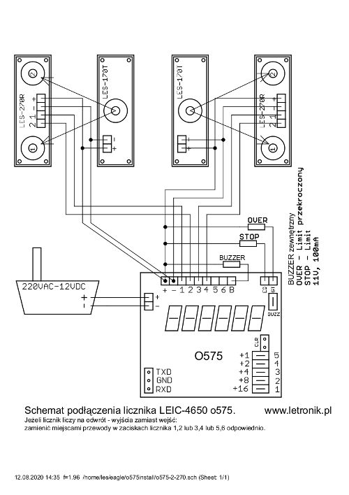
Licznik może sumować dane z trzech czujników umieszczonych w trzech wejściach, może znaleźć zastosowanie w większych obiektach.

Licznik współpracuje z czujnikami o poziomej wiązce. Czujniki montuje się na wysokości 1,2 do 1,4 metra nad posadzką. Należy tak zorganizować ruch klientów, aby przechodzili przez wiązkę pojedynczo. Osoby idące obok siebie będą błędnie naliczone jako jedna osoba. Można to uzyskać przez ograniczenie szerokości przejścia, np: taśmą na słupku, banerem, sztucznym kwiatem lub lekkim regałem reklamowym itp, ograniczającym optycznie przejście ale łatwym do usunięcia w razie ewakuacji.
Licznik należy zerować każdorazowo przed otwarciem obiektu
dla klientów, w momencie, gdy nie ma w obiekcie osób,
które mają być liczone. Jeżeli pracownicy wchodzą wejściem
dla klientów, a nie mają być liczeni, licznik należy
wyzerować jak już pracownicy są w środku obiektu.
Standardowo licznik kasuje się stacyjką. Jeżeli licznik ma
być widoczny przez szybę i do niej przylegać, na
zamówienie możemy usunąć stacyjkę i umieścić w tylnej
ściance czujnik kontaktronowy do kasowania licznika
magnesem.
Licznik należy zerować przed otwarciem sklepu, przed
wejściem pierwszego klienta.
Sygnały licznika
Dźwięk przerywany:
Sygnalizator można całkowicie wyłączyć zdejmując zworkę w
środku licznika która znajduje się obok buzera.
Limit, przy którym uruchamiane są alarmy, można ustawiać
zworkami znajdującymi się wewnątrz licznika w zakresie 1
do 32 osób, albo przez interfejs szeregowy w
zakresie 0 do 400000 specjalną aplikacją. Po zastosowaniu
odpowiedniego konwertera jest możliwość ustawiania limitu
przez sieć komputerową, a nawet przez internet.
Program do ustawiania limitu Windows.
Program do ustawiania limitu Python3.
Opis programu.

Licznik ma dodatkowe zaciski zasilające + i - do
połączenia zasilania czujników. 6 wejść sygnałowych 1...6
umożliwia podłączenie 3 dwuwiązkowych czujników w trzech
przejściach. Zacisk B umożliwia podłączenie sygnalizatora
akustycznego działającego równolegle z wewnętrznym. Zacisk
I - wyjście STOP np. na lampę. Zacisk O wyjście
przepełnienia np: na sygnalizator akustyczny.

Poniższa zdjęcia ilustrują działanie wyjść alarmowych. Do
wyjść podłączono lampki.



