Internetowy
licznik klientów lOVC. (.pdf)
-
lOCV – licznik klientów otwarty
na oprogramowanie.
Chcesz wyposażyć sklepy twoje sieci w systemy liczące
osoby wchodzące do twoich obiektów – dobrze trafiłeś.
Nasz licznik gości letronikOVC w obiektach, oprócz
licznych zalet wymienionych poniżej, może dostarczać Ci
raporty odwiedzalności w Twoich sklepach z
wykorzystaniem otwartego lub powszechnie dostępnego
oprogramowania.
Nie musisz się martwić, ze producent nagle podniesie
ceny abonamentu lub w ogóle przestanie dostarczać
usługę.
Do konfiguracji użyjesz dowolnej przeglądarki
internetowej.
Licznik może przysyłać Ci raporty odwiedzalności na
skrzynkę e-mail.
Może też wysyłać dane do bezpłatnej otwartej bazy mySQL
/ mariadb, którą zainstalujesz na komputerze w salonie
lub na swoim serwerze.
Do danych w bazie możesz mieć dostęp prosto z Excell
lub darmowego LibreOffice.
Możesz też skorzystać z naszego dedykowanego
bezpłatnego oprogramowania letronikVISITORS. Pozwala ono na
tworzenie złożonych raportów odwiedzalności z rekordami
miesięcznymi, dziennymi lub godzinowymi z całej sieci
sklepów, dowolnych grup sklepów lub poszczególnych
salonów. Oprogramowanie możesz pobrać w jawnej,
źródłowej postaci. Otwarta
licencja zezwala Ci na modyfikowanie
oprogramowania i dopasowania do indywidualnych potrzeb.
Możesz też skorzystać z naszej usługi serwera mySQL i letronikVisitors.
Możesz zamówić liczniki skonfigurowane pod naszą usługę,
liczniki osób od razu po podłączeniu do internetu bez
żadnej dodatkowej konfiguracji będą widoczne w Twoim
panelu na naszym serwerze.
-
- Może wysyłać automatycznie raporty na serwer bez udziału
dodatkowego komputera
- Może wysyłać automatycznie raporty odwiedzalności na
adres e-mail
- Może łączyć się bezprzewodowo z internetem po WIFI –
proste okablowanie
- Dane z licznika poprzez bazę mySQL/mariadb można
wczytywać do Excell lub LibreOffice.
- Współpracuje z szeroką gamą czujników różnych
producentów.
- Możliwość uruchomienia do 6 niezależnych liczników.
- Pełna konfiguracja przez przeglądarkę
- IP statyczne lub dynamiczne
- NIE wymaga stałego publicznego adresu sieciowego.
- Współpracuje z sieciami otwartymi jak i z restrykcyjnymi
sieciami korporacyjnymi.
- Przechowuje dane podczas awarii internetu
- Oprogramowanie generatora statystyk letronikVISITORS
można zainstalować na komputerze, serwerze klienta lub na
niektórych hostingach - brak opłat abonamentowych.
- Aktualizacja danych nawet co 1 minutę
- Monitoruje stan i awarie czujników
- Połączenie z okablowaniem przy pomocy rozdzielnej listwy
zaciskowej – można do odłączyć od sieci bez żadnych
narzędzi (np: w celu przesłania do serwisu)
- Szeroki zakres napięć zasilania 12-24VDC
- Łatwa diagnostyka stanu licznika dzięki lampkom
informacyjnym
Spis
treści.
Wprowadzenie.
Internetowy licznik klientów lOVC produkowany przez firmę Z.E
Letronik jest centralką systemu liczenia osób z wbudowanym
komputerem. Liczy, przetwarza dane i wysyła do bazy danych bez
korzystania z dodatkowego komputera. Może też wysyłać e-maile
z raportami odwiedzalności. Wymaga podłączenia zasilacza,
czujników i sieci WIFI / LAN.
W tekście nazwy "licznik
klientów lOVC" i "centralka" będą stosowanie wymiennie.
Do poprawnej pracy licznik wymaga następujących usług
sieciowych:
- serwer czasu NTP
- serwer bazy danych mySQL i/lub adres e-mail.
- Otwarty port FTP
Powyższe serwery mogą być zlokalizowane w „internecie” jak i w
sieci lokalnej.
Konfigurację licznika przeprowadza się przez przeglądarkę
internetową.
Licznik umożliwia konfigurację bardzo wielu parametrów.
Ustawienia domyślne zapewniają prawidłową pracę w większości
praktycznych przypadków.
Jeżeli sieć lokalna zapewnia usługę DHCP i internet, wystarcza
skonfigurowanie danych dostępowych do bazy danych lub e-mail
Możliwe jest też ustawienie statycznego adresu IP.
Podstawowa wersja ma 1 wejście, ale można skonfigurować na
każdym porcie wejściowym niezależnych licznik. W starszych
wersjach oprogramowania PORT6 jest domyślnie wyjściowy, jest
także wykorzystywany jako wejściowy do resetu ustawień sieci.
Po aktualizacji oprogramowania wszystkie porty są dostępne do
liczenia.
Uwaga:
Patrząc na ten dokument można sądzić, że użycie licznika
klientów lOVC jest bardzo skomplikowane, o czym mogłaby
świadczyć ilość stron tego dokumentu. Nic bardziej mylącego.
Licznik dostarczamy skonfigurowany do podstawowych zastosowań
i do poprawnej pracy wystarczy skonfigurować tylko dane
dostępowe bazy danych i/lub dane SMTP serwera pocztowego,
ewentualnie dostęp do WIFI. Na życzenie klienta możemy
skonfigurować licznik aby był gotowy do pracy po podłączeniu
do zasilania, czujników i internetu.
Dokument jest obszerny, gdyż licznik ma bardzo duże
możliwości.
Uwaga:
Niektóre właściwości i funkcje mogą być niedostępne w
starszych wersjach oprogramowania wewnętrznego. Można je
uzyskać po aktualizacji oprogramowania.
Informacje
handlowe:
https://licznik-klientow.com.pl/
Licznik klientów lOVC współpracuje z dowolnymi czujnikami,
generującymi jeden impuls na jedną przechodzącą osobę,
wyposażonymi w bezpotencjałowe styki lub wyjście typu NPN, lub
PNP (PNP po dodaniu rezystora 1kom między zacisk Port a Gnd).
Mogą to być poziome bariery podczerwieni, kurtyny pionowe,
systemy kamerowe z przetwarzaniem obrazu wyposażone w
przekaźnik wyjściowy.
Na stronach:
https://licznik-klientow.com.pl/produkty/products/29/czujniki.html
http://www.fotokomorki.pl/nice/cennik/niceCennik.php
http://fotokomorka.pl/
przedstawione są czujniki oferowane przez firmę LETRONIK.
Dane z licznika przesyłane są na serwer mySQL. Sugerujemy
korzystanie z własnej bazy – jest to usługa dostępna na
wielu hostingach. Musi to być baza dostępna z każdego adresu
IP, nie tylko lokalnie. Oczywiście za opłatą możemy
zaoferować bazę na naszych serwerach. Licznik tworzy
odpowiednie tablice w bazie. Na życzenie udostępniamy
strukturę bazy. Klienci mogą pobierać dane bezpośrednio do
swoich systemów informatycznych. Udostępniamy także
przeglądarkę raportów do instalacji na dowolnym komputerze.
Łączy się ona z bazą danych, tak że można odczytywać raporty
na dowolnym komputerze który ma internetowy dostęp do bazy
danych. Bezpłatnie możemy też podłączyć bazę danych klienta
do naszego serwera www. Można też wykupić u nas usługę
internetowej przeglądarki, która nie wymaga instalacji
oprogramowania na komputerze. Minimalna wersja przeglądarki
(miesiąc bieżący i poprzedni) dostępna jest bezpłatnie.
Przeglądarka dostępna jest pod adresem:
https://letronik.net.pl/lv.py
a demo:
https://letronik.net.pl/lv.py?panelD=demo2&userD=test
hasło LETronik.
Odwiedziny w poszczególnych
salonach w zadanym okresie.
Odwiedziny w wybranym obiekcie w poszczególnych dniach
Odwiedziny w wybranym obiekcie w wybranym dniu w
poszczególnych godzinach.
Licznik wyposażony jest w
lampki kontrolne.

|
Funkcja
|
Kolor
|
Tryby
|
|
Zasilanie
|
Zielony
|
Świeci, jeżeli jest prawidłowe zasilanie.
|
|
Internet
|
Niebieski
|
Pojedyncze błyski co 4 sekundy – brak połączenia z
internetem
|
|
Podwójne błyski co 4 sekundy – jest połączenie z
internetem
|
|
Świeci z krótkimi przerwami co 4 sekundy –
połączony z serwerem.
|
|
Licznik – monitor czujnika
|
Czerwony
|
Pojedyncze mignięcie – przejście naliczone
|
|
Szybkie miganie – czujnik przesłonięty
|
Otwieranie obudowy – wepchnąć
ostrożnie wkrętak w szczelinę.
Widok
wnętrza licznika.
Potrójne czarne złącze do czujnika temperatury.
Służy też do przywracania domyślnego statycznego adresu IP.

Widok gniazd i karty
sieciowej.
Czarny haczyk do opinania kabla sieciowego.
Karta WIFI Edimax EW-7811UN
- Podłączyć zasilanie. Powinna natychmiast zapalić się
zielona lampka.
- Po około 50 sekundach licznik powinien zapiszczeć i
niebieska lampka powinna błyskać co 4 sekundy.
- Jeżeli niebieska lampka nie błyska, system plików
licznika jest całkowicie zniszczony.
- Jeżeli błyska to są szanse, ze wszystko działa.
Licznik możemy podłączyć kablem do sieci lub routera, lub,
jeżeli ma dołączoną kartę wifi to po wifi. Jeżeli w sieci
przewodowej (LAN, ethernet) pracuje router z serwerem DHCP,
wystarczy licznik połączyć przewodem do sieci.
Jeżeli chcemy podłączyć licznik po wifi, to trzeba
skonfigurować dane dostępowe: nazwę sieci (SSID) i hasło.
Licznik o
ustawieniach fabrycznych
- Podłącz licznik do zasilania i przewodem do routera
który zapewnia dostęp do internetu i adresowanie DHCP,
i-lub, jeżeli licznik ma zainstalowaną kartę WIFI
skonfiguruj sieć WIFI:
ssid lOVC
hasło letroniK.
Liczniki w momencie sprzedaży mają ustawione adresowanie
dhcp w połączeniu kablowym i WIFI.
- Po 1 do 2 minut w liczniku powinna błyskać niebieska
lampka pojedynczymi błyskami – oznacza to prawidłowe
uruchomienie systemu i oprogramowania licznika. Jeżeli
niebieska lampka po dłuższym czasie nie miga, licznik jest
uszkodzony. Szczegóły.
- Po kilku minutach niebieska lampka powinna migać
podwójnie lub zapali się prawie na stałe z krótkimi
przerwami co 4 sekundy. Oznacza to, że licznik połączył
się z siecią. Po minucie od tego momentu pod adresem:
http://list.letronik.net.pl/ powinien pojawić się
odnośnik zawierający nr naszego licznika. Jeżeli przez
dłuższy czas lampka nie zacznie migać podwójnymi błyskami,
to oznacza, że licznik ma ustawione inne parametry
sieciowe i musisz zastosować się do: Licznik o nieznanych
ustawieniach sieciowych.
- Po kliknięciu odpowiedniego linka zostaniemy
przeniesieni na stronę statusu licznika.
Strona statusu przy
połączeniu przewodowym z uwidocznionymi szczegółami.
Strona statusu przy połączeniu przewodowym widoczna data
aktualizacji.
- Na stronie statusu licznika powinny pojawić się linki
do konfiguratora licznika i do raportów, po LAN lub WIFI,
lub dla obu sieci w zależności od podłączenia licznika,
oraz data aktualizacji strony.
- Proszę sprawdzić, czy strona jest aktualna (jest
aktualizowana co minutę), jeżeli tak się nie dzieje, to
znaczy że jest problem z licznikiem lub połączeniem
internetowym. Na stronie rozwijają się szczegóły: numer
(data) wersji firmware, detale połączenia sieciowego oraz
temperatura procesora. (pokaż/ukryj szczegóły). Po
kliknięciu wybranego linka dostaniemy się do konfiguratora
i konfigurujemy licznik jak na stronach poniżej.
Licznik o
nieznanych ustawieniach sieciowych. 
Jeżeli po kilku minutach lampka będzie nadal migać
pojedynczymi błyskami to oznacza, że ustawiania sieciowe tego
licznika nie pasują do sieci, do której ma się podłączyć.
Ustawienia mogły być zmienione. Jeżeli nie znamy ustawień
licznika, musimy wymusić ustawienia awaryjne.
Wymuszanie
ustawień sieci „awaryjnych”.
Uwaga:
Wymuszane są tylko ustawienia sieciowe. Wszystkie inne
konfiguracje pozostają niezmienione. W przypadku przekazywania
licznika w „obce” ręce zaleca się otworzyć konfiguracje i
usunąć z nich dane dostępowe serwerów i poczty e-mai.
Nowe wersje oprogramowania datowane po 13 08 2019
(20190813...) resetuje się zworką wewnętrzną.
Należy otworzyć obudowę i przy wyłączonej centralce ustawić
zworkę jak poniżej:
Podłączyć zasilanie - nie wyłączać do końca procesu.
Powinna natychmiast zapalić się zielona lampka.
Po około 30...50 sekundach licznik zapiszczy i zapali się
czerwony led PORT3
Następnie po około 20..40 sekundach zacznie piszczeć
przerywanie i migać czerwony led PORT3 - licznik zresetowany,
można wyłączyć zasilanie.
Rozewrzeć zworę. Po ponownym podłączeniu licznik będzie miał
firmowe ustawienia sieci – wifi, ip i dns.
Jeżeli nie podłącza się sondy
temperaturowej,
zworkę można przechowywać jak na zdjęciu.

Starsze wersje oprogramowania datowane
przed 13 08 2019 (20190813...) reagowały na
wymuszenie stanu niskiego na porcie P6.
Rozpiąć kabel zasilacza.
Wyciągnąć wtyk z licznika.
Na odłączonym od licznika wtyku licznika połączyć przewodem 2
(GND) z 8 (Port6) Pozostałe porty (1,2,3,4,5) pozostawić
otwarte.
Wetknąć wtyk w licznik.
Podłączyć zasilanie - nie wyłączać do końca procesu.
Powinna natychmiast zapalić się zielona lampka.
Po około 50 sekundach licznik zapiszczy i zapali się czerwony
led PORT3
Następnie po około 20 sekundach zacznie piszczeć przerywanie i
migać czerwony led PORT3 - licznik zresetowany, można wyłączyć
zasilanie.
Rozewrzeć tymczasową zworę. Po ponownym podłączeniu licznik
będzie miał awaryjne ustawienia sieci – wifi, ip i dns.
Awaryjne
parametry sieciowe licznika po wymuszeniu: 
Konfiguracja WIFI:

Możliwości
zalogowania się do licznika po wymuszeniu:
• podłączenie licznika kablem do sieci przewodowej o
parametrach:
IP=192.168.0...
Brama 192.168.0.1
• skonfigurowanie sieci wifi jak powyżej (np: na
smartfonie)
• podłączenie licznika do komputera i ustawienie w
komputerze następujących parametrów sieciowych:
Do licznika połączonego z siecią z dostępem do internetu
możemy zalogować się przez stronę
http://list.letronik.net.pl/, a w innych przypadkach
przy podłączeniu kablem do sieci lan przez podanie w
przeglądarce domyślnego adresu:
http://192.168.0.156:8844/index.py.
Po zalogowaniu konfigurujemy licznik jak poniżej.
Opis konfiguratora www.

Najpierw logujemy się danymi podanymi przez producenta /
instalatora.
Dane do logowania.
Port serwera: 8844
Plik strony logowania: index.py.
Czyli adres:
http://IP:8844/index.py
na przykład
http://192.168.0.102:8844/index.py
a dla danych awaryjnych
http://192.168.0.156:8844/index.py.
Dane te nie są potrzebne przy logowaniu przez stronę:
http://list.letronik.net.pl/
(tylko
licznik z pełnym dostępem do internetu).
Podstawowy
panel dla użytkownika.
LOGIN: admin
Hasło: gdyrku
Zaawansowany
panel dla administratora:
LOGIN: system
Hasło: gxma676y
Uwaga: Hasła można zmienić. Jeżeli były zmieniane, należy użyć
aktualnych. Hasła nie są przywracane!
Strona główna
konfiguratora.
Uwaga. Licznik ma normalnie system plików bardzo odporny na
nagłe zaniki zasilania. Jednak zanik zasilania podczas
konfiguracji może spowodować zniszczenie systemu plików.
Dlatego przed rozpoczęciem konfiguracji proszę sprawdzić, czy
licznik jest stabilnie podłączony dol zasilania – czy
wszystkie złącza są pewnie spięte.
Backup konfiguracji. 
Pobierz paczkę z konfiguracją:
Spozwala pobrać i zapisać na komputerze paczkę zawierającą
większość plików konfiguracyjnych. W razie potrzeby można tą
konfigurację wpisać z powrotem do licznika. W tym celu klikamy
[Przeglądaj], wybieramy plik z paczką konfiguracyjną i klikamy
[Wczytaj]. Stanowczo się zaleca pobrać i przechowywać paczkę
konfiguracyjną po pełnej konfiguracji licznika. W przypadku
wymiany lub naprawy licznika w serwisie wystarczy po prostu
wpisać zachowane ustawienia i licznik powinien być prawidłowo
skonfigurowany.
Zalecamy korzystać z przeglądarki Firefox, natomiast
przeglądarka Chrome się nie nadaje.
Pobierz paczkę z logami systemowymi:
Pozwala pobrać logi systemowe i np: wysłać je do analizy do
producenta.
Konfiguracja sieci IP.
Konfiguracja adresów sieciowych jest typowa i nie powinna
sprawiać problemów. Jeżeli licznik podłączony jest do sieci o
pełnym dostępie do internetu to serwery NTP i DNS można
pozostawić na wartościach domyślnych. Jeżeli sieć jest
zamknięta, istotne są właściwe adresy lokalnych serwerów czasu
NTP i DNS – inaczej licznik nie będzie pracować. Ustawienia
zapisujemy klawiszem [Zatwierdź]. Po zatwierdzeniu licznik się
zresetuje.
Konfiguracja
dostępu WIFI. 
W rozwijanej liście wymienione są wykryte nazwy sieci (SSID).
Jeżeli nie ma na niej naszej sieci, klikamy [odśwież listę
sieci]. Wybieramy naszą sieć i wpisujemy hasło, klikamy [zapisz]
(pole „Lub wpis nazwę sieci ” musi być puste). Jeżeli chcemy,
aby hasło było widoczne podczas wpisywania, to przed wybraniem
sieci zaznaczamy [pokazuj hasła] i klikamy [odśwież listę
sieci]. Możemy też wpisać SSID ręcznie w pole tekstowe i hasło i
klikamy [zapisz]. Po zatwierdzeniu na stronie ukaże się
potwierdzenie konfiguracji i zostanie zlecony reset licznika.
Możemy już odłączyć kabel sieci LAN od licznika. Po kilku
minutach na stronie statusu licznika pojawi się połączenie po
wifi.
Konfiguracja
systemu.
Konfiguracja systemu zawiera trzy sekcje.
• Sekcja liczników
• Sekcja uaktualniania
• Sekcja architektury
Sekcja architektury
zawiera ustawienia produkcyjne i nie zaleca się ich zmieniać.
Sekcja liczników.
namePrefixs:
System wyświetla tutaj nazwy wszystkich dostępnych konfiguracji
liczników. Możemy zaznaczyć jedną lub kilka – po zatwierdzeniu
system zainstaluje liczniki wg tych konfiguracji. W jednym lOVC
można uruchomić do 5 liczników przy ustawieniu buzzPort>0 lub
6 przy buzzPort=0. Jeżeli parametr buzzPort jest niewidoczny to
buzzPort=6. Umieszczone tu nazwy służą do tworzenia nazw tabel w
bazie – mogą zawierać tylko małe litery i cyfry.
Jest to nr portu, który będzie ustawiony jako wyjściowy i na
który jest zwierany do masy równocześnie z sygnałem dźwiękowym.
Może być wykorzystany do wysterowania głośniejszego
sygnalizatora lub do sterowania innymi systemami.
logLevel:0
Licznik zapisuje tworzy działalności, które mogą być pomocne
przy lokalizacji przyczyn problemów. Dzienniki można pobrać i
wysłać do producenta. Jeżeli nie ma problemów, zaleca się
ustawiać wartość 0.
System
aktualizacji. 
Jeżeli licznik ma dostęp protokołu FTP i http w internecie, to
może automatycznie pobierać i instalować najnowsze wersje
oprogramowania. Informacja o aktualnej wersjo oprogramowania
znajduje się na stronie głównej konfiguracji:
Zaleca się blokować tą możliwość w zainstalowanych
licznikach. Zalecane ustawienia :
Jeżeli konieczne jest dodanie funkcji
dostępnych tylko w nowych wersjach oprogramowania, ustawiamy
odpowiednią linię rozwojową - setupName, upGrade na [y] i
reboot na [y].
Wykonanie resetu przez stronę główną
konfiguracji przyśpieszy instalację nowej wersji.
Absolutnie nie wolno przerywać zasilania do momentu powstania
systemu po resecie kończącym aktualizację.
Po aktualizacji do wymaganej wersji zalecamy zablokowanie
automatycznej aktualizacji (zalecane ustawienia powyżej).
Sekcja
architektury.
Powyżej są ustawione zalecane wartości. Można zmienić ustawienie
resetChime na True. Licznik będzie wtedy akustycznie alarmował
co pewien czas o braku połączenia z siecią.
Konfiguracja
licznika wirtualnego.
W liczniku lOVC może być skonfigurowanych kilka liczników
wirtualnych. Przykłąd - lokal ma kilka wejść. Czujniki z
każdego wejścia podłączamy do innego portu centraki i dla
każdego wejścia możemy skonfigurować oddzielny licznik
wirtualny.
Współpraca z
bazą danych. 
-------Sekcja główna-------
W systemie przewidziane są trzy tablice danych – tymczasowa tt,
minutowa nt i godzinowa ht. Licznik tworzy przynajmniej tablicę
tymczasową -
localCounter: y.
Licznik może dalej ją przetwarzać na minutową:
tt2mt: y/n
a minutową na godzinową:
mt2ht: y/n
Ale może tym się zajmować inny komputer / serwer, co odciąża
komputerek licznika i łącze internetowe.
Możliwe jest też rezygnacja z tworzenia tablicy tymczasowej i
tworzenie od razu tablicy minutowej, ustawienie
mf2mt=y
-------Sekcja bazy
danych-------
#Nazwa serwera bazy danych
hostDB: 192.168.1.183
#dbType – na jakim systemie uruchomiona jest baza.
dbType: Linux - duże litery w nazwach tablic dopuszczalne -
ustawienie nie zalecane, działa tylko na Linux, pozostawiono dla
zgodności ze starymi bazami danych.
dbType: Windows - tylko małe litery w nazwach baz danych i
liczników - ustawienie zalecane, działa na Windows i Linux.
#Nazwa użytkownika bazy danych
userDB: test
#Nazwa bazy danych
dbDB: test
#Hasło do bazy danych
pwdDB: wwwLetronikPl
#Port bazy danych
portDB: 3306
-------Sekcja
liczenia-------
cType
Sposób liczenia lub przetwarzania danych przez licznik. Licznik
może przetwarzać impulsy z portów wejściowych na kilka sposobów.
Poniżej lista tych sposobów.
divide:
Przy tworzeniu tablicy godzinowej za jednego odwiedzającego mogą
być uznawane 2 impulsy (np: wejście i wyjście to jedna osoba)
lub jeden – np: wejście do sklepu oddzielone od wyjścia, czujnik
tylko w wejściu, albo licznik rozpoznający kierunek.
Wykaz cType 
cType: gpio
Współpraca z pojedynczym czujnikiem. Jest to najbardziej typowy,
domyślny sposób pracy licznika.
gpioNo = 1
do 6
- decyduje na którym porcie odbywa się liczenie. Nie ustawiać
takiego samego nr jak
BuzzPort:
active Time
-jak długo(sekundy) trzeba zasłonić czujnik, żeby nastąpiło
zliczenie
passiveTime
– na ile (sekundy) jest blokowane wejście po zliczeniu, aby
uniknąć podwójnych zliczeń
slope
– na jakim zboczu następuje zliczenie 1 narastające 0 opadające
alarm
– alarm przy zasłoniętej fotokomórce
chime
– długość sygnału po zliczeniu co 1/10 sekundy.
Typy
wirtualnych liczników do współpracy z wieloma czujnikami:
cType: or
Najprostsza funkcja podłączająca kilka czujników do jednego
licznika wirtualnego.
Współpraca z rzędem czujników pionowych z góry – działa jak
bariera pozioma. Osoby idące obok siebie będą naliczone za
jedną osobę.
Tworzona jest suma logiczna OR ze sygnałów ze wszystkich
podłączonych czujników i ta suma jest analizowana jako sygnał
do zliczania. Naruszenie jednego czujnika, jak i jednoczesne
kilku lub wszystkich czujników powoduje jedno naliczenie.
Zalecane
ustawienia
Poniższe wg potrzeby:
Poniżej ustawiamy ile czujników jest podłączone - orNumber.
Czujniki podłączamy od PORT1 do kolejnych portów - w poniższym
przypadku do portów PORT1...PORT4. Na wolnych portach można
zaprogramować liczniki standardowe jedno-wejściowe gpio.
cType: ic
Współpraca z rzędem czujników pionowych z góry – dokładna
inteligentna kurtyna. Przy zastosowaniu czujników TLS500 lub
TPS210 z rozstawem 35...50cm może liczyć dokładnie osoby idące
obok siebie.
Licznik sprawdza ile sąsiadujących ze sobą czujników jest
naruszonych jednocześnie i w zależności od tej ilości dokonuje
odpowiedniego naliczenia.
Standardowo: 1..2 czujniki 1 osoba, 3..4 czujniki 2 osoby, 4..5
czujników 3 osoby. Minimalna ilość podłączonych do jednego
licznika czujników 3 maksymalna 6. Można nawet zaprogramować 2
wirtualne liczniki po 3 czujniki.
Zalecane
ustawienia
Przykład licznika na portach PORT1..PORT3. orNumber: ilość
czujników, icstartport: na którym porcie pierwszy czujnik.
Drugi licznik można uruchomić na PORT4..PORT6
Trzeba zapisać ten licznik pod inną nazwą [saveAs]i włączyć go w
ustawieniach systemu.
cType: sum
Jeżeli mamy pomieszczenie z kilkoma wejściami i każde wejście
obsługuje jeden czujnik, to mamy 2 możliwości.
- Utworzyć kilka liczników wirtualnych każdy z jednym
wejściem, a w raportach zgrupować te liczniki
- Skonfigurować jeden wielo-wejściowy licznik sumujący
Wersja 1 da nam więcej informacji o przepływie klientów, a w
razie problemów z czujnikiem łatwiej to wykryć. Układ taki
będzie jednak generował większy ruch w sieci i wymagał kilku
kompletów tabel w bazie danych. Wersja 2 oszczędza internet i
serwer bazy danych.
Licznik sumujący - jeden licznik sumuje zliczenia z kilku
przejść, każde przejście z jednym czujnikiem.
Ustawienie na 4 niezależne czujniki. Przykład licznika na
portach PORT1..PORT4. orNumber: ilość czujników, icstartport: na
którym porcie pierwszy czujnik.
Drugi licznik można uruchomić na PORT5..PORT6
cType: 232
Współpraca z licznikami leic-4650 Licznik lOVC może pełnić
funkcję kolektora danych do liczników o460, o465, o470 poprzez
interfejs RS232. Interfejs licznika podłącza się do wbudowanego
interfejsu /dev/ttyAMA0 lub do konwertera USB-COM /dev/ttyUSBx
cType: 485
Współpraca z licznikami leic-4650 Licznik lOVC może pełnić
funkcję kolektora danych do liczników o770, o771, o775 poprzez
interfejs RS485. Interfejs licznika podłącza się do wbudowanego
interfejsu /dev/ttyAMA0 lub do konwertera USB-COM /dev/ttyUSBx.
Możemy ustawić adres licznika i nazwę odczytywanego rejestru.
cType: tel232
Odczyt liczników klientów LEIC-4650 przez internet. Licznik
potrafi odczytywać liczniki o460, o465, o470 podłączone do
konwertera portu na telnet ATC-1000, także przez internet.
cType: term
Rejestracja temperatury Licznik po podłączeniu sondy
temperaturowej może zapisywać temperaturę. Jest to funkcja w
trakcie rozwoju, nie do użytku profesjonalnego. termNo może
odczytać tylko producent.
cType: 2beam
Liczenie z rozpoznawaniem kierunku: czy osoba wchodzi czy
wychodzi. Oddzielne liczenie osób wchodzących i wychodzących -
dwa wirtualne liczniki. Rozpoznanie następuje w momencie
wejścia
osoby w wiązkę promieniowania - jeżeli osoba zawróci w wiązce
czujnika, i tak będzie policzona. Licznik musi współpracować z
dwustrumieniowym czujnikiem podłączonym do 2 portów licznika.
System korzysta z ustawień wspólnych z trybem gpio.
cType: 4beam
Liczenie z rozpoznawaniem kierunku: czy osoba wchodzi czy
wychodzi. Oddzielne liczenie osób wchodzących i wychodzących -
dwa wirtualne liczniki. Rozpoznanie następuje w momencie
wyjścia
osoby z wiązki promieniowania - jeżeli osoba zawróci w wiązce
czujnika,
nie będzie policzona. Licznik musi
współpracować z dwustrumieniowym czujnikiem podłączonym do 2
portów licznika. System korzysta z ustawień wspólnych z trybem
gpio.
Sekcja godzin
otwarcia 
np: 9-19 lub 9:30-21:25 lub 0h lub 24h.
UWAGA: działa tylko jeżeli mt2ht=y, w przeciwnym razie nie
trzeba wypełniać.
Sekcja czasów
i okresów
#Co ile minut wysyłać dane na serwer
tmpBaseInterval:1
#Ile minut trzymać dane w tablicy tymczasowej
ttDelMinutes: 14400
#Ile minut trzymać dane tablicy minutowej
Uwaga: musi być większe od ttDelMinutes
mtDelMinutes: 14640
#Ile minut trzymać dane w ramie licznika - przy pojedynczym
liczniku może być największa wartość 10 dni.
reportsDelMinutes: 14400
#Ile minut trzymać kopie danych w ramie licznika. Przy raportach
e-mail wartość powinna być większa od dayNumber*1440
trashDelMinutes: 1440
#Dokładność śledzenia
logLevel: 4
#Ile linii logu przechowywać
maxLogLine: 1000
Sekcja
klonowania licznika
#Zapisz licznik pod nazwą, tylko cyfry i litery łacińskie bez
spacji
saveAs: 5f35b399G2
Sekcja ta umożliwia klonowanie licznika, aby np: uruchomić dwa
liczniki dla dwóch przejść w obiekcie. Jeżeli są to liczniki na
portach, to muszą mieć różne gpioNo. Można też w ten sposób
zmienić nazwę licznika i tabeli w bazie danych. Nowe nazwy
pojawią się w konfiguracji systemu – trzeba tam wejść i
odznaczyć – zaznaczyć odpowiednie boksy z namePrefixs.
Zmiana nazwy
licznika 
Patrz rysunki powyżej do sekcji klonowania.
1. Wejść do [Konfiguracja licznika]. W polu [save As] wpisać
nową nazwę licznika i [Zatwierdź], później [Powrót]
2. Wejść do [Konfiguracja systemu] Na liście namePrefixs:
zaznaczyć tylko wymaganą nazwę, resztę odznaczyć i
[Zatwierdź],później [Powrót]
3. Następnie zrobić [Restart systemu].
Zmiana haseł
administratorów.
Jest możliwa zmiana haseł administratorów. Przed zapisaniem
trzeba sprawdzić, czy przeglądarka nie uzupełniła po swojemu pół
tekstowych i w razie potrzeby wykasować. Po zapisaniu znika
kontrolka [Zatwierdź]. Aby się pojawiła, trzeba kliknąć Odśwież.
Oprócz haseł do konfiguracji licznika można zmienić hasło
dostępu do systemu operacyjnego komputerka po ssh. Dostęp ten
może być wykorzystany przez serwis producenta do ewentualnej
zdalnej naprawy systemu. Jeżeli zmienimy hasło pi/ssh, to
producent nie dostanie się do systemu, jeżeli nie podamy mu
nowego hasła. Stanowczo nie zalecamy logowanie do systemu przez
ssh, gdyż łatwo uszkodzić system operacyjny komputerka.
Konfiguracja
raportów e-mail.
Licznik może wysyłać raporty odwiedzalności na adres e-mail.
Przykład raportu dostępny jest pod adresem:
https://letronik.pl/produkty/liczniki/lOVC/raportEmail.txt
Raporty e-mail mogą być wysyłane razem z raportami do mySQL,
albo bez raportów mySQL. Do wysyłania raportów e-mail serwer
mySQL nie jest konieczny. Jeżeli nie mamy serwera mySQL, licznik
należy konfigurować następująco:
Do wysyłania raportów licznik klientów wykorzystuje protokół
smtp. Potrzebuje dane konta pocztowego wykorzystywanego do
wysyłki. Serwer może wykorzystywać połączenia nieszyfrowane i
szyfrowanie SSL, porty 465, 587 lub 25, tylko zwykłe hasło.
Wysyłka została sprawdzona z kilkoma dostawcami kont e-mail, w
tym bezpłatnych, które dopuszczają normalne hasła – plain.
Niektórzy dostawcy rozpoznają że mail jest wysyłany przez
automat i blokuje wysyłkę smtp, np: interia. Nie nadaje się
także konto na gmail, gdyż nie korzysta z haseł plain. Licznik
klientów dobrze współpracuje z poczta.ontet.pl. Przed
konfiguracją licznika zaleca się wypróbować na PC dane serwera
SMTP w dowolnym kliencie poczty, np: Thunderbird, wysyłając z
niego testową wiadomość. Jeżeli wiadomość dotrze do adresata,
możemy konfigurować licznik.
Należy ustawić mailActive:TAK
a dalej parametry serwera pocztowego.
Uwaga! Trzeba uważać, aby nie wstawić/wkleić do pól
konfiguratora zbędnych spacji na początku lub końcu parametrów,
bo zostaną one dodane i wysłanie poczty nie będzie możliwe.
Uwaga! Hasło może zawierać praktycznie dowolne znaki.
Testowano następujący zestaw znaków:
1aZ~!@#$%^&*()_+-=[]{};:|,<.>/?
Problem stanowią
następujące znaki: apostrof: ‘ backslash: \ cudzysłów: " - nie
zaleca się stosować.
Znaki te należy poprzedzić znakiem ucieczki backslash \. Jeżeli
na serwerze i w kliencie pocztowym mielibyśmy ustawione hasło:
Apostrof'Cudzyslow"Backslash\1234 To należy wpisać:
Apostrof\'Cudzyslow\"Backslash\\1234 Hasło będzie działać, ale
przy ponownym otworzeniu strony konfiguracji e-mail hasło będzie
wyglądać następująco: Apostrof'Cudzyslow Czyli będzie urwane na
cudzysłowie – dlatego nie zalecamy go stosować. Jeżeli chcemy
ponownie zapisać poprzednie hasło musimy je ponownie wprowadzić
hasło ze znakami ucieczki: Apostrof\'Cudzyslow\"Backslash\\1234
Hasło bez cudzysłowa: Apostrof\'Backslash\\1234 Po ponownym
otworzeniu strony konfiguracji e-mail hasło będzie wyglądać
następująco: Apostrof'Backslash\1234 Uwaga: Po zatwierdzeniu
konfiguracji zostaje ona faktycznie zapisana do systemu po ok 1
minucie. Dlatego zaleca się otworzyć ponownie konfigurację
e-mail. Jeżeli konfiguracja nie będzie zapisana do systemu,
pojawi się komunikat: Należy odczekać ok. Minuty kliknąć powrót,
i ponownie otwierać konfigurację e-mail i sprawdzić, czy jest
prawidłowa.
Uwaga! W ustawieniach liczników ustawić
reportsDelMinutes = '14400' trashDelMinutes = '14400' Ustawienia
te określają maksymalny czas w minutach, z których będzie
dostępny raport e- mail. 14400 minut odpowiada 10 dniom. Jeżeli
ustawimy dayNumber=3 i reportsDelMinutes = '1440'
trashDelMinutes = '1440' to raporty mimo ustawienia dayNumber=3
będą tylko z 1 doby.
Schematy
instalacji licznika klientów.
Schemat
instalacji z czujnikami Nice: BF i innymi.
Widok czujników.

Schemat instalacji z jednym czujnikiem Nice BF.
Schemat instalacji z dwoma czujnikami - dwa liczniki
wirtualne.
Schemat
instalacji z czujnikami refleksyjnymi.

Widok czujnika refleksyjnego CX-493
Schemat
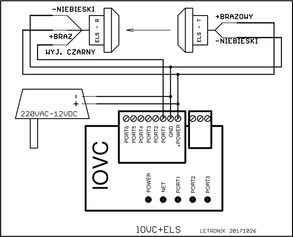
instalacji z czujnikami ELS-263, ELS-300
Widok czujnika ELS 263
Schemat
instalacji z czujnikami TLS500, TLS600.
|
|
 |
|
Czujnik TLS500
|
Czujnik TLS600. |

Do drzwi otwieranych do środka stosuje się czujnik TLS500
ręcznie regulowany: TLS500-VR-NPN-LO.
Do jednego licznika można podłączyć do 6 czujników. Przewody
zasilające podłącza się równolegle a przewody sygnałów na
kolejne porty.
Dane
techniczne.
| Parametr |
Wartość |
| Wymiary |
31x70x130 |
| Masa |
0,15kg |
| Napięcie zasilania |
12-24VDC |
| Pobór mocy |
1,5W |
| Ilość portów wejściowych |
6 |
| Polaryzacja wejścia |
Standardowo NPN – czujnik zwiera wejście do masy
PNP: po dodaniu rezystora 1kom między masę a wyjście
czujnika (PORT, GND) |
| Standardowy port licznika |
Port nr 1 |
| Zbocze naliczania |
Konfigurowane |
| Wysoki poziom wejścia |
>8V |
| Niski poziom wejścia |
<4V |
| Ilość portów wyjściowych |
6 |
| Obciążalność wyjścia |
50mA |
| Standardowe wyjście dodatkowego sygnalizatora |
Port nr 6 |
| Gniazdo ethernet |
1 (wewnątrz) |
| Gniazda USB2 |
4 (wewnątrz) |
| Zalecana karta WIFI Karta WIFI |
Edimax EW-7811UN |
| Zalecany czujnik temperatury |
DS18B20 |
Dostęp
do raportów.
Dane z licznika mogą być przesyłane
na dowolny serwer danych mySQL. Może to być:
-
serwer na hostingu klienta
-
serwer lokalny / zdalny
postawiony na dowolnym komputerze Widows / Linux
-
serwer instalatora / reselera
-
serwer udostępniony przez naszą
firmę.
Oferujemy też generator www raportów w oparciu o dane z bazy.
Można korzystać z generatora na naszym serwerze, możemy go
bezpłatnie dopiąć do bazy klienta. Można też zainstalować ten
generator na dowolnym komputerze Widows /Linux i podłączyć go do
swojej lokalnej / zdalnej bazy danych. Można też ten generator
zainstalować na hostingu, jeżeli tylko obsługuje on „python
cgi.”
Internetowy
generator raportów letronikVISITORS 
Pobierz
instalkę.
http://www.letronik.pl/soft/lV/lV.zip
Instrukcje
instalacji letronikVISITORS.
Instrukcja instalacji aplikacji www
letronikVISITORS.html
Instrukcja instalacji aplikacji www
letronikVISITORS.pdf
Instrukcja instalacji bazy mariadb do
aplikacji letronikVISITORS.html
Instrukcja instalacji bazy mariadb do
aplikacji letronikVISITORS.pdf
W przypadkach 1-3 nie pobieramy
żadnych opłat okresowych. W przypadku 4 pobieramy opłaty wg:
https://letronik.net.pl/doc/lVceny.html
Rozwiązywanie
problemów.
Sprawdzenie czy
licznik nie jest całkowicie uszkodzony.
- Port6 musi być nie podłączony.
- Podłączyć zasilanie.
- Powinna natychmiast zapalić się zielona lampka.
- Po około 50 sekundach licznik powinien zapiszczeć i
niebieska lampka powinna błyskać co 4 sekundy.
- Jeżeli zielona lampka nie świeci, to albo zasilanie źle
podłączone (np: odwrotnie), lub uszkodzenie licznika. Jeżeli
niebieska lampka nie błyska, system plików licznika jest
całkowicie zniszczony.
- Jeżeli błyska to są szanse, ze wszystko działa.
Testowanie
licznika przy problemach z siecią lokalną.
Zdarza się, ze licznik podpięty nawet kablem do sieci
informatycznej nie chce pracować. Często przyczyną są
ograniczenia bezpieczeństwa narzucone na sieci korporacyjne. Z
niektórych sieci w ogóle nie ma dostępu do „publicznego
internetu”. Niektóre sieci nie dopuszczają podłączenia nowego
urządzenia bez interwencji administratora. (biała lista adresów
MAC). W takich przypadkach konieczna jest interwencja
administratora sieci.
Instalator w takich sytuacjach może być w trudnej sytuacji -
klient może sądzić, że coś z licznikiem jest nie w porządku, a
nie z jego siecią.
W takie sytuacji instalator może sam dostarczyć internet do
testów licznika. Jeżeli licznik wyposażony jest w kartę WiFi,
może być to internet z komórki. Jeżeli licznik podłączamy kablem
do internetu, konieczny jest laptop z przewodową kartą LAN.
Obecnie zwykle w laptopach takiej nie ma, ale można się
zaopatrzyć w katę LAN na USB. Laptop podłączamy do Hot-Spot, np:
w komórce, i konfigurujemy katę LAN na udostępnianie internetu.
Opis
prawidłowego zachowania się czerwonej lampki monitora linii
portu. 
Opis dotyczy licznika, który ma skonfigurowane połączenie z
siecią informatyczną. Czerwona lampka, oznaczona na obudowie
PORT1...3, monitoruje stan linii odpowiedniego portu. Normalny
jest stan, kiedy w polu widoczności podłączonych czujników nie
ma przeszkody to lampka zagaszona. Jeżeli w polu widoczności
podłączonych czujników pojawi się obiekt (np: klient przecina
barierę) lampka na chwilę się zapala, a następnie szybko miga
dopóki czujnik coś wykrywa). Po opuszczeniu pola widzenia
czujnika przez obiekt czerwona lampka gaśnie. „Zasłaniając” i
„odsłaniając” czujnik możemy przetestować działanie licznika.
Przypadki nieprawidłowego zachowania się czerwonej lampki
monitora linii portu.
a) Zachowanie dokładnie odwrotne. Jeżeli lampka reaguje na
przejście ale normalnie się świeci a po zasłonięciu czujnika
gaśnie, to można to „wyprostować” przez zmianę konfiguracji
licznika.
b) Brak reakcji na zasłonięcie czujnika. Jeżeli lampka nie
reaguje na zasłonięcie, albo nieprzerwanie miga, albo stale się
nie świeci, a licznik wg opisanego poniżej testu jest sprawny,
to znaczy, że czujnik lub okablowanie są wadliwe. Trzeba
sprawdzić sprawność czujnika i zgodność okablowania ze
schematami.
Sprawdzenie
funkcji liczenia.
Opis dotyczy licznika, który ma skonfigurowane połączenie z
siecią informatyczną.
1. Odłączyć licznik od zasilania. 2. Wyjąc kostkę zaciskową.
3. Z kostki wyciągnąć wszystkie przewody poza zasilaniem, czyli
pozostawić GND i +POWER.
4. Do styku badanego portu (np: PORT1) podłączyć 5-10
centymetrowy odcinek przewodu, drugi koniec przewodu odizolowany
na końcu pozostawić nie podłączony.
5. Włożyć kostkę w licznik.
6. Podłączyć zasilanie.
7. Natychmiast powinna zapalić się zielona lampka.
8. Po około 1 minucie niebieska lampka powinna migać podwójne co
4 sekundy lub świecić się cały czas z bardzo krótka przerwą co 4
sekundy. 9. Po następnej minucie lub wcześniej, powinna zapalić
się a następnie migać czerwona lampka monitora portu (np:
PORT1). Czerwona lampka sygnalizuje wysoki stan niepodłączonego
portu.
10. Wolny koniec opisanego powyżej krótkiego przewodu dotknąć do
złącza GND żeby połączyć PORT1 ze złączem GND – czerwona lampka
powinna zgasnąć.
11. To jest prawidłowe zachowanie przy standardowej konfiguracji
licznika – slope=1.
12. Przy konfiguracji licznika slope=0, przy wolnym zacisku PORT
1 lampka jest zgaszona a po połączeniu PORT1 z GND lampka
powinna migać.
13. Ogólnie – jeżeli licznik reaguje na zwieranie i rozwieranie
zacisków PORT1 i GND zapalaniem i gaszeniem lampki PORT1, to
licznik jest sprawny.
Przydatne
aplikacje.
1. Skaner sieciowy nmap. https://nmap.org/download.html
https://nmap.org/dist/nmap-7.70-win32.zip
2. Narzędzie do mySQL MySQL Workbench 5.2.47
https://dev.mysql.com/downloads/workbench/5.2.html
https://dev.mysql.com/downloads/file/?id=412167
3. Klient ftp: https://filezilla-project.org/
https://filezilla-project.org/download.php?type=client
Przykład
raportu wysyłanego na e-mail.
Wygenerowano: 20200820 11:07:11 .
'*' - Rekord w którym wystąpiły błędy.
EF - zasłonięty czujnik - ilość minut.
EC - przerwa w danych - ilość munut.
Raporty dzienne dla licznika a5211afd2
| Data | Gości | EF | EC |*|
| 20200817 | 98 | 0 | 0 | |
| 20200818 | 103 | 0 | 0 | |
| 20200819 | 76 | 0 | 0 | |
| 20200820 | 20 | 0 | 0 | |
Raport godzinowy z dnia: 20200817
| Godz | Gości | EF | EC |*|
| 00-01 | 0 | 0 | 0 | |
| 01-02 | 2 | 0 | 0 | |
| 02-03 | 8 | 0 | 0 | |
| 03-04 | 1 | 0 | 0 | |
| 04-05 | 0 | 0 | 0 | |
| 05-06 | 1 | 0 | 0 | |
| 06-07 | 3 | 0 | 0 | |
| 07-08 | 2 | 0 | 0 | |
| 08-09 | 9 | 0 | 0 | |
| 09-10 | 2 | 0 | 0 | |
| 10-11 | 7 | 0 | 0 | |
| 11-12 | 13 | 0 | 0 | |
| 12-13 | 8 | 0 | 0 | |
| 13-14 | 8 | 0 | 0 | |
| 14-15 | 7 | 0 | 0 | |
| 15-16 | 6 | 0 | 0 | |
| 16-17 | 1 | 0 | 0 | |
| 17-18 | 4 | 0 | 0 | |
| 18-19 | 15 | 0 | 0 | |
| 19-20 | 1 | 0 | 0 | |
| 20-21 | 0 | 0 | 0 | |
| 21-22 | 0 | 0 | 0 | |
| 22-23 | 0 | 0 | 0 | |
| 23-24 | 0 | 0 | 0 | |
Raport godzinowy z dnia: 20200818
| Godz | Gości | EF | EC |*|
| 00-01 | 0 | 0 | 0 | |
| 01-02 | 0 | 0 | 0 | |
| 02-03 | 0 | 0 | 0 | |
| 03-04 | 0 | 0 | 0 | |
| 04-05 | 0 | 0 | 0 | |
| 05-06 | 0 | 0 | 0 | |
| 06-07 | 2 | 0 | 0 | |
| 07-08 | 7 | 0 | 0 | |
| 08-09 | 0 | 0 | 0 | |
| 09-10 | 7 | 0 | 0 | |
| 10-11 | 5 | 0 | 0 | |
| 11-12 | 12 | 0 | 0 | |
| 12-13 | 11 | 0 | 0 | |
| 13-14 | 17 | 0 | 0 | |
| 14-15 | 6 | 0 | 0 | |
| 15-16 | 3 | 0 | 0 | |
| 16-17 | 16 | 0 | 0 | |
| 17-18 | 14 | 0 | 0 | |
| 18-19 | 2 | 0 | 0 | |
| 19-20 | 1 | 0 | 0 | |
| 20-21 | 0 | 0 | 0 | |
| 21-22 | 0 | 0 | 0 | |
| 22-23 | 0 | 0 | 0 | |
| 23-24 | 0 | 0 | 0 | |
Raport godzinowy z dnia: 20200819
| Godz | Gości | EF | EC |*|
| 00-01 | 0 | 0 | 0 | |
| 01-02 | 0 | 0 | 0 | |
| 02-03 | 0 | 0 | 0 | |
| 03-04 | 0 | 0 | 0 | |
| 04-05 | 0 | 0 | 0 | |
| 05-06 | 1 | 0 | 0 | |
| 06-07 | 2 | 0 | 0 | |
| 07-08 | 1 | 0 | 0 | |
| 08-09 | 8 | 0 | 0 | |
| 09-10 | 2 | 0 | 0 | |
| 10-11 | 8 | 0 | 0 | |
| 11-12 | 0 | 0 | 0 | |
| 12-13 | 19 | 0 | 0 | |
| 13-14 | 8 | 0 | 0 | |
| 14-15 | 4 | 0 | 0 | |
| 15-16 | 2 | 0 | 0 | |
| 16-17 | 9 | 0 | 0 | |
| 17-18 | 3 | 0 | 0 | |
| 18-19 | 9 | 0 | 0 | |
| 19-20 | 0 | 0 | 0 | |
| 20-21 | 0 | 0 | 0 | |
| 21-22 | 0 | 0 | 0 | |
| 22-23 | 0 | 0 | 0 | |
| 23-24 | 0 | 0 | 0 | |
Raport godzinowy z dnia: 20200820
| Godz | Gości | EF | EC |*|
| 00-01 | 0 | 0 | 0 | |
| 01-02 | 0 | 0 | 0 | |
| 02-03 | 0 | 0 | 0 | |
| 03-04 | 0 | 0 | 0 | |
| 04-05 | 0 | 0 | 0 | |
| 05-06 | 1 | 0 | 0 | |
| 06-07 | 2 | 0 | 0 | |
| 07-08 | 5 | 0 | 0 | |
| 08-09 | 0 | 0 | 0 | |
| 09-10 | 5 | 0 | 0 | |
| 10-11 | 7 | 0 | 0 | |
| 11-12 | 0 | 0 | 0 | |
Raporty dzienne dla licznika a5211afd1
| Data | Gości | EF | EC |*|
| 20200817 | 37 | 0 | 0 | |
| 20200818 | 33 | 0 | 0 | |
| 20200819 | 116 | 0 | 0 | |
| 20200820 | 9 | 0 | 0 | |
Raport godzinowy z dnia: 20200817
| Godz | Gości | EF | EC |*|
| 00-01 | 0 | 0 | 0 | |
| 01-02 | 0 | 0 | 0 | |
| 02-03 | 0 | 0 | 0 | |
| 03-04 | 0 | 0 | 0 | |
| 04-05 | 0 | 0 | 0 | |
| 05-06 | 0 | 0 | 0 | |
| 06-07 | 0 | 0 | 0 | |
| 07-08 | 0 | 0 | 0 | |
| 08-09 | 3 | 0 | 0 | |
| 09-10 | 0 | 0 | 0 | |
| 10-11 | 5 | 0 | 0 | |
| 11-12 | 2 | 0 | 0 | |
| 12-13 | 4 | 0 | 0 | |
| 13-14 | 6 | 0 | 0 | |
| 14-15 | 3 | 0 | 0 | |
| 15-16 | 4 | 0 | 0 | |
| 16-17 | 0 | 0 | 0 | |
| 17-18 | 0 | 0 | 0 | |
| 18-19 | 10 | 0 | 0 | |
| 19-20 | 0 | 0 | 0 | |
| 20-21 | 0 | 0 | 0 | |
| 21-22 | 0 | 0 | 0 | |
| 22-23 | 0 | 0 | 0 | |
| 23-24 | 0 | 0 | 0 | |
Raport godzinowy z dnia: 20200818
| Godz | Gości | EF | EC |*|
| 00-01 | 0 | 0 | 0 | |
| 01-02 | 0 | 0 | 0 | |
| 02-03 | 0 | 0 | 0 | |
| 03-04 | 0 | 0 | 0 | |
| 04-05 | 0 | 0 | 0 | |
| 05-06 | 0 | 0 | 0 | |
| 06-07 | 0 | 0 | 0 | |
| 07-08 | 6 | 0 | 0 | |
| 08-09 | 3 | 0 | 0 | |
| 09-10 | 2 | 0 | 0 | |
| 10-11 | 1 | 0 | 0 | |
| 11-12 | 2 | 0 | 0 | |
| 12-13 | 2 | 0 | 0 | |
| 13-14 | 6 | 0 | 0 | |
| 14-15 | 2 | 0 | 0 | |
| 15-16 | 0 | 0 | 0 | |
| 16-17 | 6 | 0 | 0 | |
| 17-18 | 3 | 0 | 0 | |
| 18-19 | 0 | 0 | 0 | |
| 19-20 | 0 | 0 | 0 | |
| 20-21 | 0 | 0 | 0 | |
| 21-22 | 0 | 0 | 0 | |
| 22-23 | 0 | 0 | 0 | |
| 23-24 | 0 | 0 | 0 | |
Raport godzinowy z dnia: 20200819
| Godz | Gości | EF | EC |*|
| 00-01 | 0 | 0 | 0 | |
| 01-02 | 0 | 0 | 0 | |
| 02-03 | 0 | 0 | 0 | |
| 03-04 | 0 | 0 | 0 | |
| 04-05 | 0 | 0 | 0 | |
| 05-06 | 0 | 0 | 0 | |
| 06-07 | 0 | 0 | 0 | |
| 07-08 | 0 | 0 | 0 | |
| 08-09 | 2 | 0 | 0 | |
| 09-10 | 1 | 0 | 0 | |
| 10-11 | 76 | 0 | 0 | |
| 11-12 | 0 | 0 | 0 | |
| 12-13 | 17 | 0 | 0 | |
| 13-14 | 6 | 0 | 0 | |
| 14-15 | 2 | 0 | 0 | |
| 15-16 | 5 | 0 | 0 | |
| 16-17 | 2 | 0 | 0 | |
| 17-18 | 0 | 0 | 0 | |
| 18-19 | 5 | 0 | 0 | |
| 19-20 | 0 | 0 | 0 | |
| 20-21 | 0 | 0 | 0 | |
| 21-22 | 0 | 0 | 0 | |
| 22-23 | 0 | 0 | 0 | |
| 23-24 | 0 | 0 | 0 | |
Raport godzinowy z dnia: 20200820
| Godz | Gości | EF | EC |*|
| 00-01 | 0 | 0 | 0 | |
| 01-02 | 0 | 0 | 0 | |
| 02-03 | 0 | 0 | 0 | |
| 03-04 | 0 | 0 | 0 | |
| 04-05 | 0 | 0 | 0 | |
| 05-06 | 0 | 0 | 0 | |
| 06-07 | 0 | 0 | 0 | |
| 07-08 | 5 | 0 | 0 | |
| 08-09 | 2 | 0 | 0 | |
| 09-10 | 0 | 0 | 0 | |
| 10-11 | 2 | 0 | 0 | |
| 11-12 | 0 | 0 | 0 | |
Raporty dzienne dla licznika a5211afd4
| Data | Gości | EF | EC |*|
| 20200817 | 24 | 0 | 0 | |
| 20200818 | 19 | 0 | 0 | |
| 20200819 | 31 | 0 | 0 | |
| 20200820 | 5 | 0 | 0 | |
Raport godzinowy z dnia: 20200817
| Godz | Gości | EF | EC |*|
| 00-01 | 0 | 0 | 0 | |
| 01-02 | 0 | 0 | 0 | |
| 02-03 | 0 | 0 | 0 | |
| 03-04 | 0 | 0 | 0 | |
| 04-05 | 0 | 0 | 0 | |
| 05-06 | 0 | 0 | 0 | |
| 06-07 | 0 | 0 | 0 | |
| 07-08 | 0 | 0 | 0 | |
| 08-09 | 3 | 0 | 0 | |
| 09-10 | 0 | 0 | 0 | |
| 10-11 | 3 | 0 | 0 | |
| 11-12 | 2 | 0 | 0 | |
| 12-13 | 3 | 0 | 0 | |
| 13-14 | 5 | 0 | 0 | |
| 14-15 | 1 | 0 | 0 | |
| 15-16 | 2 | 0 | 0 | |
| 16-17 | 0 | 0 | 0 | |
| 17-18 | 0 | 0 | 0 | |
| 18-19 | 5 | 0 | 0 | |
| 19-20 | 0 | 0 | 0 | |
| 20-21 | 0 | 0 | 0 | |
| 21-22 | 0 | 0 | 0 | |
| 22-23 | 0 | 0 | 0 | |
| 23-24 | 0 | 0 | 0 | |
Raport godzinowy z dnia: 20200818
| Godz | Gości | EF | EC |*|
| 00-01 | 0 | 0 | 0 | |
| 01-02 | 0 | 0 | 0 | |
| 02-03 | 0 | 0 | 0 | |
| 03-04 | 0 | 0 | 0 | |
| 04-05 | 0 | 0 | 0 | |
| 05-06 | 0 | 0 | 0 | |
| 06-07 | 0 | 0 | 0 | |
| 07-08 | 3 | 0 | 0 | |
| 08-09 | 0 | 0 | 0 | |
| 09-10 | 2 | 0 | 0 | |
| 10-11 | 1 | 0 | 0 | |
| 11-12 | 2 | 0 | 0 | |
| 12-13 | 2 | 0 | 0 | |
| 13-14 | 2 | 0 | 0 | |
| 14-15 | 2 | 0 | 0 | |
| 15-16 | 0 | 0 | 0 | |
| 16-17 | 4 | 0 | 0 | |
| 17-18 | 1 | 0 | 0 | |
| 18-19 | 0 | 0 | 0 | |
| 19-20 | 0 | 0 | 0 | |
| 20-21 | 0 | 0 | 0 | |
| 21-22 | 0 | 0 | 0 | |
| 22-23 | 0 | 0 | 0 | |
| 23-24 | 0 | 0 | 0 | |
Raport godzinowy z dnia: 20200819
| Godz | Gości | EF | EC |*|
| 00-01 | 0 | 0 | 0 | |
| 01-02 | 0 | 0 | 0 | |
| 02-03 | 0 | 0 | 0 | |
| 03-04 | 0 | 0 | 0 | |
| 04-05 | 0 | 0 | 0 | |
| 05-06 | 0 | 0 | 0 | |
| 06-07 | 0 | 0 | 0 | |
| 07-08 | 0 | 0 | 0 | |
| 08-09 | 2 | 0 | 0 | |
| 09-10 | 1 | 0 | 0 | |
| 10-11 | 5 | 0 | 0 | |
| 11-12 | 0 | 0 | 0 | |
| 12-13 | 11 | 0 | 0 | |
| 13-14 | 3 | 0 | 0 | |
| 14-15 | 0 | 0 | 0 | |
| 15-16 | 2 | 0 | 0 | |
| 16-17 | 3 | 0 | 0 | |
| 17-18 | 0 | 0 | 0 | |
| 18-19 | 4 | 0 | 0 | |
| 19-20 | 0 | 0 | 0 | |
| 20-21 | 0 | 0 | 0 | |
| 21-22 | 0 | 0 | 0 | |
| 22-23 | 0 | 0 | 0 | |
| 23-24 | 0 | 0 | 0 | |
Raport godzinowy z dnia: 20200820
| Godz | Gości | EF | EC |*|
| 00-01 | 0 | 0 | 0 | |
| 01-02 | 0 | 0 | 0 | |
| 02-03 | 0 | 0 | 0 | |
| 03-04 | 0 | 0 | 0 | |
| 04-05 | 0 | 0 | 0 | |
| 05-06 | 0 | 0 | 0 | |
| 06-07 | 0 | 0 | 0 | |
| 07-08 | 3 | 0 | 0 | |
| 08-09 | 0 | 0 | 0 | |
| 09-10 | 0 | 0 | 0 | |
| 10-11 | 2 | 0 | 0 | |
| 11-12 | 0 | 0 | 0 | |
Raporty dzienne dla licznika a5211afd3
| Data | Gości | EF | EC |*|
| 20200817 | 25 | 0 | 0 | |
| 20200818 | 23 | 0 | 0 | |
| 20200819 | 33 | 0 | 0 | |
| 20200820 | 5 | 0 | 0 | |
Raport godzinowy z dnia: 20200817
| Godz | Gości | EF | EC |*|
| 00-01 | 0 | 0 | 0 | |
| 01-02 | 0 | 0 | 0 | |
| 02-03 | 0 | 0 | 0 | |
| 03-04 | 0 | 0 | 0 | |
| 04-05 | 0 | 0 | 0 | |
| 05-06 | 0 | 0 | 0 | |
| 06-07 | 0 | 0 | 0 | |
| 07-08 | 0 | 0 | 0 | |
| 08-09 | 2 | 0 | 0 | |
| 09-10 | 0 | 0 | 0 | |
| 10-11 | 5 | 0 | 0 | |
| 11-12 | 2 | 0 | 0 | |
| 12-13 | 3 | 0 | 0 | |
| 13-14 | 5 | 0 | 0 | |
| 14-15 | 1 | 0 | 0 | |
| 15-16 | 2 | 0 | 0 | |
| 16-17 | 0 | 0 | 0 | |
| 17-18 | 0 | 0 | 0 | |
| 18-19 | 5 | 0 | 0 | |
| 19-20 | 0 | 0 | 0 | |
| 20-21 | 0 | 0 | 0 | |
| 21-22 | 0 | 0 | 0 | |
| 22-23 | 0 | 0 | 0 | |
| 23-24 | 0 | 0 | 0 | |
Raport godzinowy z dnia: 20200818
| Godz | Gości | EF | EC |*|
| 00-01 | 0 | 0 | 0 | |
| 01-02 | 0 | 0 | 0 | |
| 02-03 | 0 | 0 | 0 | |
| 03-04 | 0 | 0 | 0 | |
| 04-05 | 0 | 0 | 0 | |
| 05-06 | 0 | 0 | 0 | |
| 06-07 | 0 | 0 | 0 | |
| 07-08 | 3 | 0 | 0 | |
| 08-09 | 0 | 0 | 0 | |
| 09-10 | 2 | 0 | 0 | |
| 10-11 | 2 | 0 | 0 | |
| 11-12 | 1 | 0 | 0 | |
| 12-13 | 3 | 0 | 0 | |
| 13-14 | 2 | 0 | 0 | |
| 14-15 | 4 | 0 | 0 | |
| 15-16 | 0 | 0 | 0 | |
| 16-17 | 5 | 0 | 0 | |
| 17-18 | 1 | 0 | 0 | |
| 18-19 | 0 | 0 | 0 | |
| 19-20 | 0 | 0 | 0 | |
| 20-21 | 0 | 0 | 0 | |
| 21-22 | 0 | 0 | 0 | |
| 22-23 | 0 | 0 | 0 | |
| 23-24 | 0 | 0 | 0 | |
Raport godzinowy z dnia: 20200819
| Godz | Gości | EF | EC |*|
| 00-01 | 0 | 0 | 0 | |
| 01-02 | 0 | 0 | 0 | |
| 02-03 | 0 | 0 | 0 | |
| 03-04 | 0 | 0 | 0 | |
| 04-05 | 0 | 0 | 0 | |
| 05-06 | 0 | 0 | 0 | |
| 06-07 | 0 | 0 | 0 | |
| 07-08 | 0 | 0 | 0 | |
| 08-09 | 2 | 0 | 0 | |
| 09-10 | 1 | 0 | 0 | |
| 10-11 | 4 | 0 | 0 | |
| 11-12 | 0 | 0 | 0 | |
| 12-13 | 11 | 0 | 0 | |
| 13-14 | 3 | 0 | 0 | |
| 14-15 | 0 | 0 | 0 | |
| 15-16 | 1 | 0 | 0 | |
| 16-17 | 6 | 0 | 0 | |
| 17-18 | 0 | 0 | 0 | |
| 18-19 | 5 | 0 | 0 | |
| 19-20 | 0 | 0 | 0 | |
| 20-21 | 0 | 0 | 0 | |
| 21-22 | 0 | 0 | 0 | |
| 22-23 | 0 | 0 | 0 | |
| 23-24 | 0 | 0 | 0 | |
Raport godzinowy z dnia: 20200820
| Godz | Gości | EF | EC |*|
| 00-01 | 0 | 0 | 0 | |
| 01-02 | 0 | 0 | 0 | |
| 02-03 | 0 | 0 | 0 | |
| 03-04 | 0 | 0 | 0 | |
| 04-05 | 0 | 0 | 0 | |
| 05-06 | 0 | 0 | 0 | |
| 06-07 | 0 | 0 | 0 | |
| 07-08 | 3 | 0 | 0 | |
| 08-09 | 0 | 0 | 0 | |
| 09-10 | 0 | 0 | 0 | |
| 10-11 | 2 | 0 | 0 | |
| 11-12 | 0 | 0 | 0 | |